Build your dream microscope at MicroscopeX

VM4000DIC 50X~400X Transmitted & Reflected Light Metallurgical Microscope with DIC system

VM4000DIC

1000X(optioncal 100X objective), 210 x 140mm mechanical stage, halogen lamp

Features


  • Adopted superior infinity optical system, equipped with excellent optical performance
  • Compact and stable body for anti-shock operation
  • Adopted ideal ergonomic design for easier operation and wider space
  • Integrated switchable polarized observation device, 360° rotatable polarizer
  • Differential Interference Contrast device provides clear image and strong sense of relief

Tags: Compound MicroscopesMetallurgical Microscopes

Request a Quote?


Get Quote Live chat Email Phone

Stage
210 x 140mm
SWF10X (Φ22mm)
Trinocular, inclined 30°
Halogen lamp

VM4000DICDifferential Interference Contrast Metallurgical microscopes are suitable for differential-interference -contrast-observation in the surface of un-transparent object and micro-observation in transparent object. It equipped excellent UIS optical system and the notion of modularization function design, provide excellent optical performance and the update of the system. The product has beautiful configuration, easy operation, clear image, so it is the perfect research instrument for detection and analytic of the precision engineering,etc.

The trinocular can easily change in the observation and photography inclination of 30°, you do not need to down head or horizontal observation in the long time, it can make the neck and shoulder of operator feel comfortable, base on the 100% pass of light of trinocular, the microscope adapt to low illumination of photography.

Integrated field diaphragm, aperture diaphragm and (Y,B,G Ground glass) switching device. Push-pull analyzer and polarizer.

Equip high quality DIC objectives and DIC observation system, in order to show the clear, profile distinct and 3D embossed image.

By adding the appurtenance such as CCD adapter, digital camera adapter and single-reverse digital camera adapter and etc. It can achieve high clear observation mode of camera and vidicon.

VM4000DIC

VM4000DIC

Head of VM4000DICMechanical Stage of VM4000DIC

Head & Mechanical Stage of VM4000DIC

Transmitted illumination of VM4000DICEpi-illumination system of VM4000DIC

Transmitted illumination system & Epi-illumination system of VM4000DIC

Digital Camera Photo

DIC ObserveDIC ObserveDIC Observe

DIC Observe

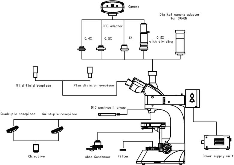
Diagram of VM4000DIC

Diagram of VM4000DIC

Dimension of VM4000DIC

Dimension of VM4000DIC

Specification for VM4000DIC

Eyepiece

Achromatic wide field SWF10X (Φ22mm)

Eyepiece Tube

Trinocular, inclined 30°

Objective

Infinity plan achromatic objectives with long working distance (no cover glass)

LMPlan5X/0.12 Work distance:18.2 mm

LMPlan10X/0.25 Work distance:20.2 mm

LMPlan20X/0.35 Work distance:6.0 mm

PL L40X/0.60 (spring) Work distance:3.98 mm

Focus System

Coaxial coarse/fine focus system, with tension adjustable and limit stopper, minimum division of fine focusing is 2.0μm

DIC Observation System

5X/10X/20X DIC push-pull group

Epi-illumination system

12V 50W, halogen lamp, adjustable brightness

Integrated field diaphragm, aperture diaphragm and (Y,B,G, ground glass) switching device. Push-pull type analyzer and polarizer

Nosepiece

Quintuple (Backward ball bearing inner locating)

Working Stage

Double layer mechanical stage size: 210 x 140mm, moving stage: 63 x 50mm

Transmitted illumination system

Abbe condenser NA.1.25 Rack & pinion adjustable

Blue filter and Ground glass

Collector for halogen lamp illumination and integrated field diaphragm

12V 30W halogen lamp, adjustable brightness

Accessories for VM4000DIC

Eyepiece

Dividing eyepiece (field numberΦ18mm) 0.10mm/Div

Objective

Infinity plan achromatic objective with long working distance (no cover glass)

PL L50X/0.70 (spring) Work distance:3.68mm

PL L60X/0.70 (spring) Work distance:2.08mm

PL L80X/0.80 (spring) Work distance:1.25 mm

PL L100X/0.85 (spring and dry) Work distance:0.40mm

Nosepiece

Quintuple Backward ball bearing inner locating

Filter

Green filter

Yellow filter

CCD Adapter

0.5X

1X

0.5X (with dividing 0.1mm/Div)

Camera

DV-1 (with USB & Video Output)

DV-130/300/500/900 with USB Output

DV-3 (with Video Output 380/520 TV line)

Digital camera adapter

CANON (EF) NIKON(F)


Search
Contact US

Tel:

Email:

WhatsApp:

Skype:

Address:

Why US?

The Microscope Experts

  • Factory supplies
  • Cheap price
  • Base on China

We are here to help you find the best microscope for your needs at the lowest possible price.
Our customers: AMScope.com, Microscope.com, Omano...